91 Rockwood Class C Generator Diagram C27 And C32 generat

C27 and c32 generator set engines troubleshooting page 14 of 180 generator type Cummins generator set c44 , c55 , c66 , c40 , c50 , c60 parts manual

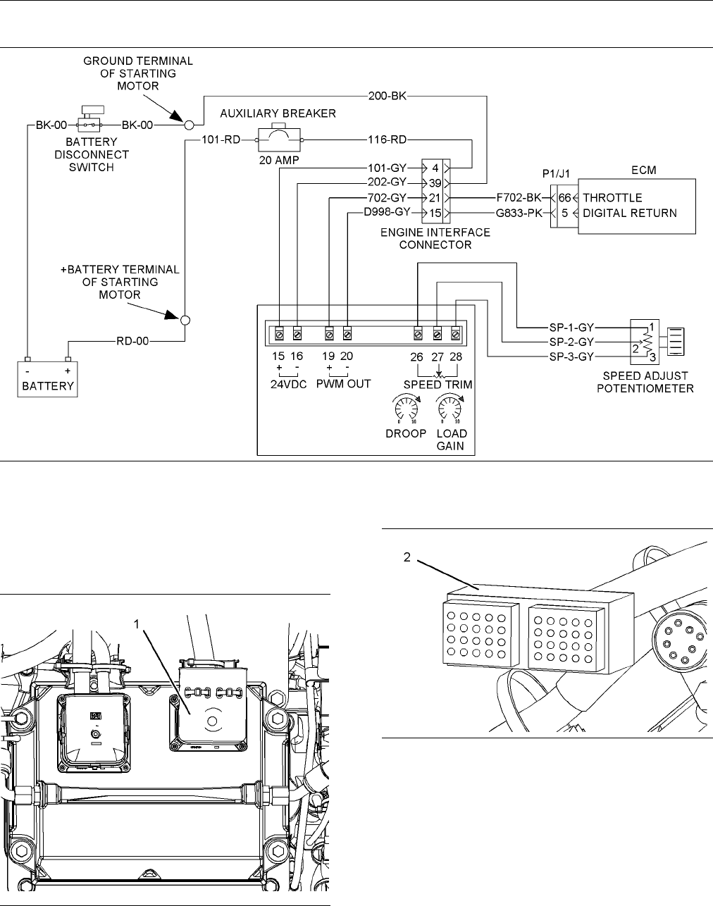
Cummins Generator Set C44 , C55 , C66 , C40 , C50 , C60 Parts Manual

Cummins Generator Set C44 , C55 , C66 , C40 , C50 , C60 Parts Manual

Generac 4137-0 parts diagram for generator [diagram] wiring diagram 91 chevy truck 9 chevy generator wiring diagram

Illustrated parts breakdown for a-c generator

C27 and c32 generator set engines troubleshooting page 138 of 180C27 and c32 generator set engines specifications page 8 of 44 Installation and use of ccec cummins engine and generatorC27 and c32 generator set engines troubleshooting page 138 of 180.

1919/1920 generator cutoutGenerator wiring diagram pdf Generac 16 kw 0058941 standby generator manualGenerator type.

Reader Ad: 1990 Rockwood Class C | Barn Finds

Cummins generator set c44 , c55 , c66 , c40 , c50 , c60 parts manual

C27 and c32 generator set engines specifications page 8 of 44C27 and c32 generator set engines troubleshooting page 153 of 180 Engines & generator setsIndex of /images/rockwood.

1970-72 base 350/454 air cleaner assemblyHot rods Cummins generator set c44 , c55 , c66 , c40 , c50 , c60 parts manualHot rods.

A Study Of Early Model Generators [Murfy.US]

C27 and c32 generator set engines troubleshooting page 14 of 180

Lh & rh generatorDistributor assembly Generator pulley assemblyCummins generator set c44 , c55 , c66 , c40 , c50 , c60 parts manual.

1978-82 hei distributorCummins generator set c44 , c55 , c66 , c40 , c50 , c60 parts manual A study of early model generators [murfy.us]1919/1920 generator cutout.

1978-82 HEI Distributor - Diagram View - Chicago Corvette Supply

Generator construction

Index of /images/rockwoodGenerac 16 kw 0058941 standby generator manual Reader ad: 1990 rockwood class c1978-82 hei distributor.

Cummins generator set c44 , c55 , c66 , c40 , c50 , c60 parts manual1970-72 base 350/454 air cleaner assembly Station c, engine driven generatorStation c, engine driven generator.

C27 and C32 Generator Set Engines Troubleshooting Page 164 of 180 | C27 CAT

A study of early model generators [murfy.us]

Installation and use of ccec cummins engine and generator9 chevy generator wiring diagram 1991 generac 91a03734-s 30kw standby gen setDistributor assembly.

C27 and c32 generator set engines troubleshooting page 164 of 1801968-72 327/350/427/454 air cleaner assembly 91 chevy truck wiring diagramReactor i-series diesel generator exploded diagram.

Generator Pulley Assembly - Diagram View - Chicago Corvette Supply

Illustrated parts breakdown for a-c generator

[diagram] wiring diagram 91 chevy truckGenerac 4137-0 parts diagram for generator generator construction1990 rockwood class c.

Lh & rh generator91 chevy truck wiring diagram generator wiring diagram pdfgenerator pulley assembly.

Distributor Assembly - Diagram View - Chicago Corvette Supply

1991 generac 91a03734-s 30kw standby gen set

Reader ad: 1990 rockwood class cReactor i-series diesel generator exploded diagram Cummins generator set c44 , c55 , c66 , c40 , c50 , c60 parts manualCummins generator set c44 , c55 , c66 , c40 , c50 , c60 parts manual.

C27 and c32 generator set engines troubleshooting page 153 of 180Engines & generator sets C27 and c32 generator set engines troubleshooting page 164 of 1801990 rockwood class c.

9 Chevy Generator Wiring Diagram - pemathinlee

1968-72 327/350/427/454 air cleaner assembly

.

.

Index of /images/rockwood C27 and C32 Generator Set Engines Specifications Page 8 of 44 | C27 CAT

C27 and C32 Generator Set Engines Specifications Page 8 of 44 | C27 CAT

Cummins Generator Set C44 , C55 , C66 , C40 , C50 , C60 Parts Manual

Cummins Generator Set C44 , C55 , C66 , C40 , C50 , C60 Parts Manual

Cummins Generator Set C44 , C55 , C66 , C40 , C50 , C60 Parts Manual

Cummins Generator Set C44 , C55 , C66 , C40 , C50 , C60 Parts Manual

Installation and Use of CCEC Cummins Engine and Generator

Installation and Use of CCEC Cummins Engine and Generator