91 560 Sel Hydraulic Pump Hose Diagram 560 Hydraulic Pump Su

1991 560 sec rear hydraulic strut [diagram] farmall 560 hydraulic pressure relief valve diagram 84218959 hydraulic pump,71 cc

CP Performance - Hydraulic Pump And Bracket

CP Performance - Hydraulic Pump And Bracket

560 hydraulic pump supply hose Dixon kodiak 52 25hp kohler [diagram] farmall 560 hydraulic pump diagram

Pin su hydraulic pump

[diagram] farmall 560 hydraulic pump diagram[diagram] farmall 560 hydraulic pressure relief valve diagram P- pump parts diagram[diagram] farmall 560 hydraulic pump diagram.

[diagram] farmall 560 hydraulic pressure relief valve diagram ...1988 560sl hose sits fuel pump filter diagram Engine hoses diagramDanfoss sel hydraulic & industial hoses sku: dnfss-sel-hose-hdr/ind.

84218959 HYDRAULIC PUMP,71 CC - Case spare part | 777parts.com

Sae100r1 high pressure hydraulic rubber hose assembly inside steel ...

[diagram] farmall 560 hydraulic pump diagramHydraulic hose assembly sl models 120" Cp performance560 sel vacuum modulator hose.

Hydraulic pumps, assembly 99929291Install the cylinder hydraulic hose (45) the ° elbow hydraulic pumps, assembly 99929291hydraulic hose assembly sl models 120".

Install the cylinder hydraulic hose (45) the ° elbow - Issuu

[diagram] farmall 560 hydraulic pump diagram

Install the cylinder hydraulic hose (45) the ° elbow11 hydraulic pump solenoid Edelmann pressure line assembly560 sel vacuum modulator hose.

W116 w126 hpf hydraulic tandem pump 450 560 sec selRobin/subaru pkx301t parts diagram for pump W116 w126 hpf hydraulic tandem pump 450 560 sec sel[diagram] farmall 560 hydraulic pressure relief valve diagram ....

CP Performance - Hydraulic Pump And Bracket

[diagram] farmall 560 hydraulic pump diagram

Lt1 water pump hose diagramCp performance [diagram] farmall 560 hydraulic pressure relief valve diagram ...[diagram] farmall 560 hydraulic pressure relief valve diagram.

Marine power 901 jet pump diagrams > marine powerEngine hoses diagram [diagram] farmall 560 hydraulic pump diagram560 sel vacuum modulator hose.

[DIAGRAM] Farmall 560 Hydraulic Pressure Relief Valve Diagram

1991 560 sec rear hydraulic strut

560 sel vacuum modulator hoseI have a 1989 560sl, fuel pump quits, intermittently ,1 pump and filter Lt1 water pump hose diagramPin su hydraulic pump.

Edelmann pressure line assembly[diagram] farmall 560 hydraulic pressure relief valve diagram ... 360 spider hydraulic plant and electrohydraulic pump (119)[diagram] farmall 560 hydraulic pump diagram.

[DIAGRAM] Farmall 560 Hydraulic Pressure Relief Valve Diagram

Robin/subaru pkx301t parts diagram for pump

1” hydraulic hose fitting with sae code 61 flange 90° elbow (n-series 4[diagram] farmall 560 hydraulic pressure relief valve diagram 84218959 hydraulic pump,71 ccDanfoss sel hydraulic & industial hoses sku: dnfss-sel-hose-hdr/ind.

11 hydraulic pump solenoidMarine power 901 jet pump diagrams > marine power I have a 1989 560sl, fuel pump quits, intermittently ,1 pump and filter ...Sae100r1 high pressure hydraulic rubber hose assembly inside steel.

Engine Hoses Diagram - DiagramInfo

Cp performance

560 hydraulic pump supply hose1” hydraulic hose fitting with sae code 61 flange 90° elbow (n-series 4 ... P- pump parts diagram1988 560sl hose sits fuel pump filter diagram.

360 spider hydraulic plant and electrohydraulic pump (119)Cp performance Dixon kodiak 52 25hp kohler.

P- Pump Parts Diagram - Dodge Diesel - Diesel Truck Resource Forums Hydraulic pumps, assembly 99929291 | Cuoq Forest Diffusion

Hydraulic pumps, assembly 99929291 | Cuoq Forest Diffusion

Hydraulic Hose Assembly SL Models 120" - Ernie's Tool & Specialty Co.

Hydraulic Hose Assembly SL Models 120" - Ernie's Tool & Specialty Co.

I have a 1989 560sl, fuel pump quits, intermittently ,1 pump and filter

I have a 1989 560sl, fuel pump quits, intermittently ,1 pump and filter

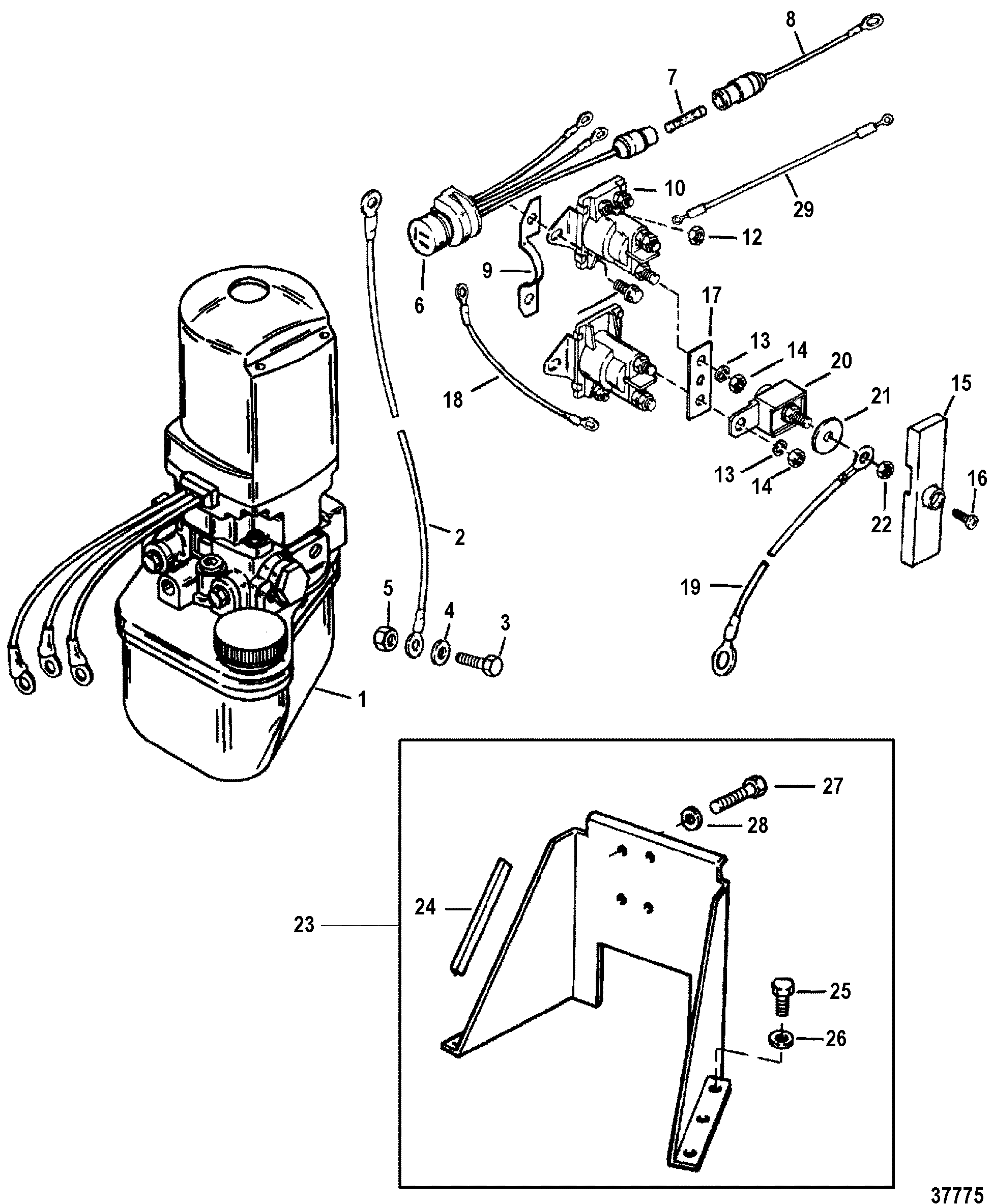
11 HYDRAULIC PUMP SOLENOID

11 HYDRAULIC PUMP SOLENOID

DANFOSS SEL Hydraulic & Industial Hoses SKU: DNFSS-SEL-HOSE-HDR/IND

DANFOSS SEL Hydraulic & Industial Hoses SKU: DNFSS-SEL-HOSE-HDR/IND