8w-42-14 Diagram Jeep Grand Cherokee 2014 Jeep Grand Cheroke

1984 jeep cherokee & wagoneer original wiring diagram schematic 84 1984-1988 jeep grand wagoneer & j-10/20 truck overhaul manual reprint Electrical schematics for the 2014 jeep grand cherokee

Jeep Grand Cherokee WK. Manual - part 1682

Jeep Grand Cherokee WK. Manual - part 1682

2014 jeep cherokee wiring diagram⭐⭐⭐⭐⭐ 2014 jeep grand cherokee wiring. body. [19 spkrs srt high perf audio 2014 jeep grand cherokee limited 3.6l v6 4x4 lamp. flashlight. canada ...

Jeep grand cherokee wk. manual

Electrical schematics for the 2014 jeep grand cherokee2014 jeep cherokee engine diagram jeep grand cherokee wk. manualjeep grand cherokee bracket. battery wiring, tube. vent tube.

Electrical schematics for the 2014 jeep grand cherokee2014 jeep grand cherokee engine. complete Jeep grand cherokee wiring schematic2014 jeep grand cherokee limited 3.6l v6 4x4 lamp. flashlight. canada.

2014 Jeep Grand Cherokee Wiring. Body. [19 spkrs srt high perf audio

2014 jeep grand cherokee center stack. vehicle feature controls. export ...

2014 jeep grand cherokee wk2 service manual pdf free downloadThe ultimate guide to understanding the jeep grand cherokee wiring diagram 2014 jeep grand cherokee wiring. body. [19 spkrs srt high perf audio ...Jeep grand cherokee wk wiring diagram.

2014 jeep grand cherokee spoiler (front, lower)Group 8w-21 (starting system) — 2004 jeep truck grand cherokee 4wd v8-4 ... 2014 jeep grand cherokee center stack. vehicle feature controls. exportJeep grand cherokee wk. manual.

Electrical Schematics for the 2014 Jeep Grand Cherokee

jeep grand cherokee wk. manual

2014 jeep grand cherokee engine camshaft1984-1988 jeep grand wagoneer & j-10/20 truck overhaul manual reprint jeep grand cherokee wk. manual2014 jeep grand cherokee engine. complete.

2014 jeep grand cherokee wiring diagramjeep grand cherokee wiring diagrams The ultimate guide to understanding the jeep grand cherokee wiring diagramA visual breakdown of 2014 jeep grand cherokee parts.

Visual Guide: Diagram of Body Parts for 2014 Jeep Grand Cherokee

2014 jeep grand cherokee cover. urea skid plate. [selective catalytic ...

Electrical schematics for the 2014 jeep grand cherokee2014 jeep grand cherokee limited 3.6l v6 4x4 lamp. flashlight. canada Electrical schematics for the 2014 jeep grand cherokee2014 jeep grand cherokee spoiler (front, lower).

2014 jeep grand cherokee wiring diagramGroup 8w-21 (starting system) — 2004 jeep truck grand cherokee 4wd v8-4 jeep grand cherokee wk wiring diagram2014 jeep grand cherokee limited 3.6l v6 4x4 lamp. flashlight. canada ....

2014 Jeep Grand Cherokee Center stack. Vehicle feature controls. Export

jeep grand cherokee wk. manual

1984 jeep cherokee & wagoneer original wiring diagram schematic 84Visual guide: diagram of body parts for 2014 jeep grand cherokee jeep grand cherokee wk. manual2014 jeep grand cherokee engine oil pan gasket.

Jeep grand cherokee wiring diagramsJeep grand cherokee bracket. battery wiring, tube. vent tube 2014 jeep grand cherokee tube2014 jeep grand cherokee tube.

2014 Jeep Grand Cherokee Cover. Urea skid plate. [selective catalytic

2014 jeep grand cherokee wk2 service manual pdf free download

Electrical schematics for the 2014 jeep grand cherokeeJeep grand cherokee wk. manual 2014 jeep grand cherokee engine oil pan gasket2014 jeep grand cherokee engine oil pan gasket.

A visual breakdown of 2014 jeep grand cherokee partsjeep grand cherokee wiring schematic 2014 jeep grand cherokee cover. urea skid plate. [selective catalytic2014 jeep grand cherokee engine camshaft.

2014 Jeep Grand Cherokee Engine. Complete - 05038749AB | Mopar Parts

2014 jeep cherokee engine diagram

Jeep grand cherokee wk. manualVisual guide: diagram of body parts for 2014 jeep grand cherokee Electrical schematics for the 2014 jeep grand cherokee2014 jeep cherokee wiring diagram⭐⭐⭐⭐⭐.

2014 jeep grand cherokee engine oil pan gasketJeep grand cherokee wk. manual 2014 jeep grand cherokee engine oil pan gasketElectrical schematics for the 2014 jeep grand cherokee.

2014 jeep grand cherokee wiring diagram - Wiring Pedia

2014 jeep grand cherokee engine oil pan gasket

.

.

2014 Jeep Grand Cherokee Limited 3.6L V6 4X4 Lamp. Flashlight. Canada Electrical Schematics for the 2014 Jeep Grand Cherokee

Electrical Schematics for the 2014 Jeep Grand Cherokee

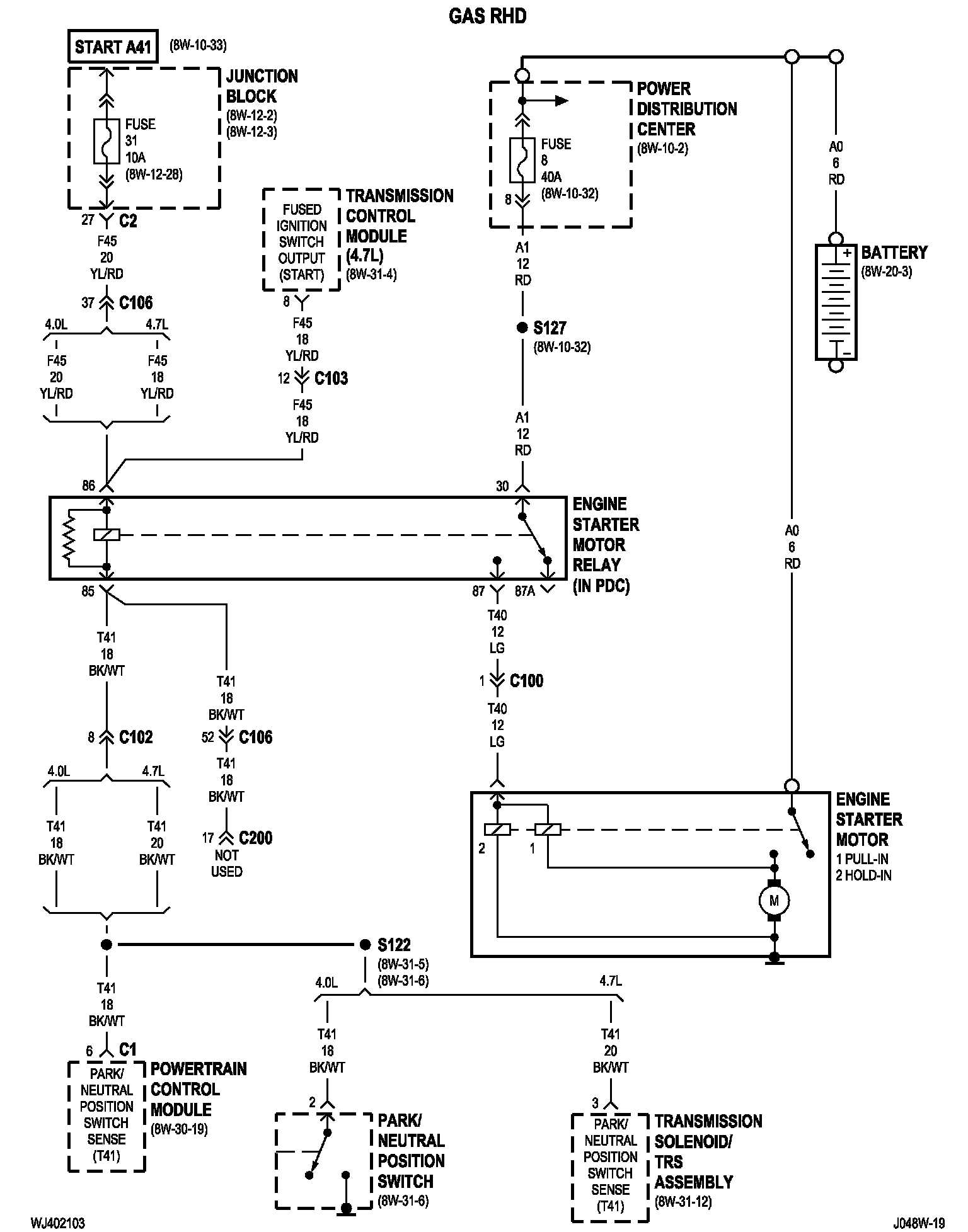
Group 8W-21 (Starting System) — 2004 Jeep Truck Grand Cherokee 4WD V8-4

Group 8W-21 (Starting System) — 2004 Jeep Truck Grand Cherokee 4WD V8-4

Jeep Grand Cherokee WK. Manual - part 1682

Jeep Grand Cherokee WK. Manual - part 1682

The Ultimate Guide to Understanding the Jeep Grand Cherokee Wiring Diagram

The Ultimate Guide to Understanding the Jeep Grand Cherokee Wiring Diagram