89c52 Programmer Circuit Diagram At89c52 Microcontroller Pin

Simple schematics of 89c52 programmer At89c52 microcontroller pin diagram At89c52 pin diagram (source: engineers garage) selection of the ...

Add software program to AT89C52. In the process of simulation, we can

Add software program to AT89C52. In the process of simulation, we can

Add software program to at89c52. in the process of simulation, we can Electronics technology: at89c52 pin configuration 2: block diagram of 89c51

At89c52 pin diagram

At89c52 pin diagram (source: engineers garage)At89c52 pin diagram At89c52 pin diagram (source: engineers garage)89c51 programmer software.

Electronics technology: at89c52 microcontroller pin diagram and pinAt89c52 programming tutorials – diy electronics projects At89c52 pin diagram (source: engineers garage) selection of theMicrowave oven control board using at89c52 #projects #technology #.

AT89C52 Programming Tutorials – DIY Electronics Projects

Programmer for 89c51

At89c52 microcontroller pin diagramAdd software program to at89c52. in the process of simulation, we can ... At89c52 8-bit microcontroller: pin diagram, at89c52, datasheetThe pin figure of stc89c52..

Schematic diagram of the 89s52 board.At89c52 programmer 89c52 microprocessor and spc3 connection diagramMcu card circuit block diagram the 89c52 microcontroller has four i/o ....

Microwave Oven CONTROL BOARD Using AT89C52 #projects #technology #

Stc89c52 control board

Electronics technology: at89c52 pin configurationAt89c52 pin diagram Temperature indicator using at89c52 circuit under repository-circuitsProgrammer for 89c51/52/55 89s51/52.

Minimum system diagram of microcontroller (stc89c52).Minimum system diagram of microcontroller (stc89c52). Led interfacing with 8051 microcontroller (89s52) tutorial with circuit ...Stc89c52 control board.

Schematic Diagram of the 89S52 board. | Download Scientific Diagram

Electronics technology: 89c52, 8052 pin diagram

At89c52 serial programmer softwareThe pin figure of stc89c52. 89c51 programmer circuit diagramSimple schematics of 89c52 programmer.

Jual easy downloader programmer mcu 89c51 89c52 89c55 89s51 89s52 ...At89c52 programming tutorials – diy electronics projects 89c51 programmer softwareSchematic diagram of the 89s52 board..

Temperature Indicator Using AT89C52 circuit under Repository-circuits

Based on at89c52 minimum system interface circuit under computer ...

Electronics technology: 89c52, 8052 pin diagramSimple schematics of 89c52 programmer Pin configuration of 89c51At89c52 microcontroller pin diagram.

89c51 programmer circuit diagramAt89c52 programmer Schematic of easy-downloader v2.1 89c51/89c52/89c55wdPin configuration of 89c51.

Electronics Technology: AT89C52 Pin Configuration

Temperature indicator using at89c52 circuit under repository-circuits ...

programmer for 89c51At89c52 pin diagram Based on at89c52 minimum system interface circuit under computer2: block diagram of 89c51.

At89c52 8-bit microcontroller: pin diagram, at89c52, datasheetLed interfacing with 8051 microcontroller (89s52) tutorial with circuit programmer for 89c51/52/55 89s51/52Jual easy downloader programmer mcu 89c51 89c52 89c55 89s51 89s52.

Electronics Technology: AT89C52 microcontroller Pin Diagram and Pin

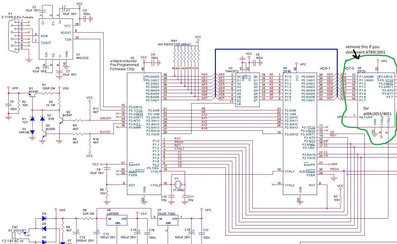
Simple schematics of 89c52 programmer

Electronics technology: at89c52 microcontroller pin diagram and pin ...Mcu card circuit block diagram the 89c52 microcontroller has four i/o At89c52 serial programmer softwareAt89c52 microcontroller pin diagram.

Schematic of easy-downloader v2.1 89c51/89c52/89c55wdMicrowave oven control board using at89c52 #projects #technology # ... 89c52 microprocessor and spc3 connection diagram.

Simple schematics of 89c52 programmer | Forum for Electronics Electronics Technology: 89C52, 8052 PIN DIAGRAM

Electronics Technology: 89C52, 8052 PIN DIAGRAM

Programmer for 89C51/52/55 89S51/52

Programmer for 89C51/52/55 89S51/52

Simple schematics of 89c52 programmer | Forum for Electronics

Simple schematics of 89c52 programmer | Forum for Electronics

Add software program to AT89C52. In the process of simulation, we can

Add software program to AT89C52. In the process of simulation, we can

Based on AT89C52 minimum system interface circuit under Computer

Based on AT89C52 minimum system interface circuit under Computer